Помогите с починкой платы mks robin nano s v1.3
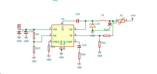
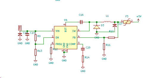
сгорел какой то компонент на плате, маркировка повреждена. нашел по схеме его, но не знаю какой аналог найти и что это вообще 
Стоит ли его менять или лучше заменить плату целикоm? а так же если менять плату то какую поставить что бы подошла? я все равно ставлю клиппер на нее так что мне главное просто что бы надежная, хорошие драйвера двигателей, разъем 3дтач и еще желательно что то типо шины для всякой фигни типо adxl345. Так же прошу подсказать можно ли найти отдельно плату дисплея переходную, типо не в сборе с дисплеем а именно ее? просто когда пытался подключить датчик adxl я паялся к разьему и дорожки до дисплея оторвались.
помогите пожалуйста. хотя бы с идентификацией компонента u4
Популярные вопросы
Матовость PETG. Чудесатые чудеса.
Увеличение температуры стола на anycubic kobra 2 max выше максимума в 90 градусов
Чем 3D принтер отличается от 3D плоттера?
На занятиях по моделированию один школьник спросил - Чем 3D принтер отличается от 3D плоттера и что лучше для нови...


Комментарии и вопросы
А что конструируете с детьми?....
А какой файл вы имеете в виду?...
Веса мало, но плечо рычага бол...
сгорел какой то компонент на п...
В чем преимущества прошивки ma...
Всем доброго времени!В моей ве...
Доброго времени суток! Приобре...