Техничка
Проблемы с печатью? Ищете новые приемы? В этом разделе вы сможете найти ответы на вопросы технического характера, ознакомиться с новинками и поделиться своими знаниями с коллегами.
Как легко и просто поставить директ BMG на ZAV Pro v3.
Подпишитесь на автора
Подпишитесь на автора, если вам нравятся его публикации. Тогда вы будете получать уведомления о его новых статьях.
Отписаться от уведомлений вы всегда сможете в профиле автора.
Выбор редукторных экструдеров, которые подходят для директа вообще невелик - Titan и BMG. Titan показался странной конструкцией, а вот BMG подкупил приводом с двумя шестернями....
FlyingBear Ghost 5 обдув. Хотели как лучше, получилось как всегда.
Подпишитесь на автора
Подпишитесь на автора, если вам нравятся его публикации. Тогда вы будете получать уведомления о его новых статьях.
Отписаться от уведомлений вы всегда сможете в профиле автора.
На 5-ке установлена довольно качественная турбинка 5015 от GDSTime.
Вас ничто не смущает??? А потребляемый ток в 0.04А?? Какая потребляемая мощность у данного устройства при таких параметрах?
0.96Вт.
А те...
Установка Klipper DWC2, нюансы.
Подпишитесь на автора
Подпишитесь на автора, если вам нравятся его публикации. Тогда вы будете получать уведомления о его новых статьях.
Отписаться от уведомлений вы всегда сможете в профиле автора.
Делаем удобный держатель стекла рабочего стола из обычной канцелярской прищепки.
Подпишитесь на автора
Подпишитесь на автора, если вам нравятся его публикации. Тогда вы будете получать уведомления о его новых статьях.
Отписаться от уведомлений вы всегда сможете в профиле автора.
Как и многие использую стекло для печати и фиксирую его к столу 3д принтера при помощи обычных канцелярских прищепок.
У этого есть весьма неприятный для меня минус - при автолевеле головы перед печатью или печати на границах стола голова задевает за эту прищепку
и здесь уже поджидают другие неприятности
Позвольте не ходить вдоль да около, потому на неприятности отвлекаться не будем, а пойдем далее по плану....
Видео инструкция по калибровке прижима сопла picaso 3d designer X-series.
Подпишитесь на автора
Подпишитесь на автора, если вам нравятся его публикации. Тогда вы будете получать уведомления о его новых статьях.
Отписаться от уведомлений вы всегда сможете в профиле автора.
Хитросплетение и обилие настроек линейки 3D принтеров Picaso 3D Designer X-Series не всегда позволяет сходу сориентироваться и определиться что, куда и как нажимать. Как правильно выполнить те или иные действия по настройке / калибровке устройства.
В нашей, теперь уже ставшей постоянной, рубрике видео-руководств, мы знакомим владельцев этой линейки устройств, будь то Picaso 3D Deisgner X, X Pro, или могучий XL с базовыми...
Marlin 2.0.6.1. Эволюция подключения экранов и интерфейсов пользователя.
Подпишитесь на автора
Подпишитесь на автора, если вам нравятся его публикации. Тогда вы будете получать уведомления о его новых статьях.
Отписаться от уведомлений вы всегда сможете в профиле автора.
1. RepRap Arduino Mega Pololu Shield (RAMPS)
Прямое подключение LED 12864-экранов.
Самый древний из способов. Шина состоит из 16-ти управляемых непосредственно с Arduino Mega GPIO и питания.
В настоящее время данный способ не используется.
Интерфейс пользователя всем давно знаком
2. RepRap Full Graphic Smart Contr...
Замена драйверов на TMC2208 KINGROON KP3 ( и ему подобных на MKS Robin Mini )
Подпишитесь на автора
Подпишитесь на автора, если вам нравятся его публикации. Тогда вы будете получать уведомления о его новых статьях.
Отписаться от уведомлений вы всегда сможете в профиле автора.
Как говорится "Купили Витязь - теперь е....тесь!" :))))
Вторым этапом электронной "доводки до ума" данного принтера хотелось конечно же убрать раздражающий свист установленных драйверов A4988, который я слышал ночью с кухни через 2 закрытые двери....
Усовершенствованный MKS PWC, модуль автоВыключения
Подпишитесь на автора
Подпишитесь на автора, если вам нравятся его публикации. Тогда вы будете получать уведомления о его новых статьях.
Отписаться от уведомлений вы всегда сможете в профиле автора.
Хороший, очень полезный модуль. Желаю каждому.
Ну тогда и я расскажу и своей разработке.
Сделал я его еще год назад, и даже опубликовал, но, дело не пошло.
Рисовал схему опираясь на имеющиеся фотографии оригинального модуля MKS PWC V2.0, из алиэкспресс. Версии 3.0 тогда еще не было.
Выписал список деталей и пытался сообразить как оно работает, тро...
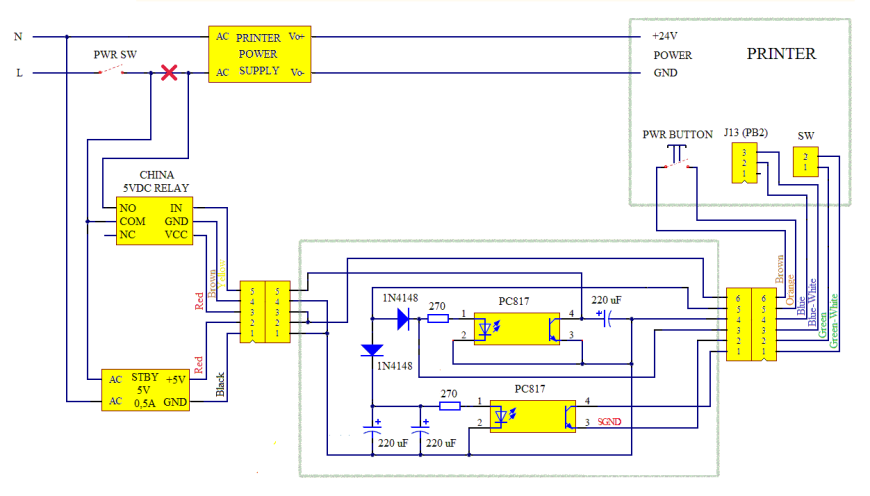
Автоотключение KINGROON KP3 ( и ему подобных на MKS Robin Mini )
Подпишитесь на автора
Подпишитесь на автора, если вам нравятся его публикации. Тогда вы будете получать уведомления о его новых статьях.
Отписаться от уведомлений вы всегда сможете в профиле автора.
Купил данный девайс на распродаже Али 11.11. Со всеми скидками и купонами, которые у меня были, он мне обошёлся в 7400 руб. Для печати корпусов под различную электронику, всякую мелочевку и для начального изучения 3D печати - цена вполне отличная! Помимо цены у него компактный размер, плата MKS на базе STM32, подогреваемый стол на рельсовой направляющей, удобное сенсорное управление (не ручка-энкодер). Радость после получения была не долгой. Либо мне...
Монохромный экран для Sirius
Подпишитесь на автора
Подпишитесь на автора, если вам нравятся его публикации. Тогда вы будете получать уведомления о его новых статьях.
Отписаться от уведомлений вы всегда сможете в профиле автора.
В этот раз, буду вести повествование об апгрейде Sirius, а точнее об установке монохромного LCD экрана. Особо сильно в теорию вдаваться не хочется, но разница в пропускной способности, благодаря чему должно снизиться время экспозиции на слой.
Начинаю работу. Забегая наперёд, на апгрейде был принтер старой версии, без бокового люка и со старой материнской платой. Отсутствие люка - просто неудобство в работе. А вот материнку пришлось заменить, пр...

Комментарии и вопросы
После прочтения заголовка была...
напряги естественный интеллект...
Я худею, я кстати реально поху...
Доброе время суток! Профи в CA...
Привет всем! В промывочном "ве...
Добрый день.Настроил станок, о...
привет.помогите разобраться по...