Фанерный друг. Самодельный 3d-принтер.
Статья относится к конкурсу 'Мой 3D-принтер', номинации '3D-принтер собранный своими руками'.
Итак, опустив драматичную историю о мечтах , которые родились в голове при просмотре роликов о возможностях 3д принтеров, начнем.Как можно заметить - на принтере много деталей, уже напечатанных им самим для себя.
В самом начале винты по оси Z были без опорных подшипников, просто палками в небо ...Все ссылки ниже из моих личных заказов :
По Деталям :
-Все моторы из закромов - от старой орг. техники.
-Направляющие по Z - валы 12 мм от принтеров с родными втулками и каретками.
-Направляющие X и Y - пруток от гардины 8мм =) по ним ездят линейные подшипники LM8UU.
-Все детали были пилены из фанеры. ВРУЧНУЮ.
-RAMPS 1.4 + LCD12864 -Голова E3D v6 -Стол MK2B 200х200мм. -Алюминиевый экструдер.
-Драйверы шаговых двигателей.
-Винты приводные 300мм с гайками для оси Z.
-Ремень и шкивы GT2 для осей X и Y.
-Провода к моторам. -Винты для настройки стола. -Муфты для сопряжения моторов и ходовых винтов.
-Термисторы для измерения температуры стола или хотэнда.
На запчасти тогда - в декабре 2017 года, было потрачено около 6000 рублей.Пока детали были в пути, я строил основание, изготавливал оси.
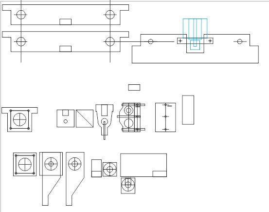
Чертил детали в кореле, там же представлял как они будут работать друг с другом.Далее я их печатал, клеил на фанеру и пилил .А потом сверлил ...И собирал все детали в узлы ... Старался собирать на винты или саморезы, чтобы все было разборным.Все соединения пропаял. Стол утеплил стеклотканью и фольгоизолом поверх. (Температуру держит-Не воняет, не дымит).Портал стянул шпилькой по верху и скрутил передней 'панелью'.
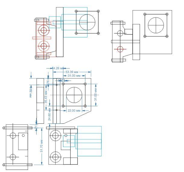
Кронштейны приводных гаек сделаны по месту, потому такие неказистые.
Обращаю ваще внимание на экструдер , изначально он был собран на NEMA17-подобном моторе и не справился ...
Позже я собрал редуктор из шестерней с другой стороны принтера и пустил вал на экструдер. И вооот сквозь время он стоит красавец на столе ...Печатаю в основном технические детали - корпуса для самоделок, детали для принтера, запчасти для бытовой техники.Пластик я купил у китайцев - Yousu ABS Черный. Пластик вроде бы хороший, но сравнить не с чем.
Кроме него я печатал только леской для триммера.По качеству печати можно догадаться о наличии люфтов, но их можно исправить, перепечатав некоторые детали, подтянув винты и ремни.
Спустя время вылезли некоторые косяки :
- Линейные подшипники нарезают канавки на направляющих из гардины (можно заменить подшипники напечатанными втулками).
- Концевики дают погрешность. Их желательно заменить на оптические.
- Поменять гайки по оси Z на безлюфтовые, т.к первые дают люфт при смене движения вверх-вниз.У 3d-печати большие перспективы и всем кто еще не прикоснулся к этому чуду - рекомендую попробовать, хотя бы таким же кустарным как и я. Предлагаю вам посмотреть видео о моем принтере :
Еще больше интересных статей
Когда твой принтер старше твоего брака, но ты всё ещё веришь в любовь и новую материнскую плату
Подпишитесь на автора
Подпишитесь на автора, если вам нравятся его публикации. Тогда вы будете получать уведомления о его новых статьях.
Отписаться от уведомлений вы всегда сможете в профиле автора.
Многие из вас наверняка давно в 3d печати и помните ещё времена ког...
Klipper LED State: Стильная светодиодная панель статуса для вашего 3D-принтера.
Подпишитесь на автора
Подпишитесь на автора, если вам нравятся его публикации. Тогда вы будете получать уведомления о его новых статьях.
Отписаться от уведомлений вы всегда сможете в профиле автора.
Blue Pill & SSD1306, ну очень маленькие.., но 32 бит!
Подпишитесь на автора
Подпишитесь на автора, если вам нравятся его публикации. Тогда вы будете получать уведомления о его новых статьях.
Отписаться от уведомлений вы всегда сможете в профиле автора.
Решил я тут попробовать перейти с 8 бит на 32.
Готовы...













Комментарии и вопросы
Не колдуйте с кодом принтер не...
Причина в стоимости лески.Если...
принтер что сам себя выключил....
У меня принтер стал пропускать...
Подскажите пожалуйста, чем мож...
Добрый день кто подскажет начи...
Доброго дня, сейчас меня стоит...