Профиль в KP3S Pro S1
Я играюсь с KP3S Pro S1, изучаю его физику :)
При движении стола консольная ось X начинает вращаться вокруг балки Z, особенно когда масса экструдера ближе к концу.
Подвигал пальчиком за конец X, больно легко вращается. Начал разбираться в источнике этой легкости вращения и дошел до подозрения самой алюминиевой балки, как части проблемы.
Прикрепил вверху и внизу деревянные палочки параллельно и рукой начал вверх скручивать балку.
И офигел. Нижняя папка стоит, а верхняя поворачивается где-то на 0.5 градуса. И это просто рукой, без рычага.
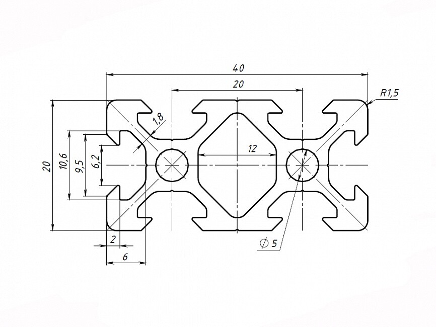
Тогда я взял профиль 20х20 от собери завод и померил его. Он как на схеме:
После чего открутил верх профиля на принтере и померил там. На принтере "перепонки" 1.3мм, центральная часть на 1мм меньше, ну и алюминий, видимо, такой же особенный.Буду заменять на соберизаводовский кусок. Интересно, что будет. Резьбу только нарезать в лом, у меня это плохо выходит.Кстати, я еще и думал, чего у китайцев часть отверстий с резьбой под рельсу нормальные, а часть сквозные и только на обратной стенке резьба. Я так понимаю все просто - в таком тонком металле (1мм стенка) резьбу срывает на раз-два и они выкручиваются резервной, просто длинные винты ставят.Это только часть открытий чудных по поводу KP3S. Но о них потом.
Еще больше интересных статей
Выравнивание стола
Подпишитесь на автора
Подпишитесь на автора, если вам нравятся его публикации. Тогда вы будете получать уведомления о его новых статьях.
Отписаться от уведомлений вы всегда сможете в профиле автора.
Озон дурит уценёнкой - предупреждён, значит вооружён.
Подпишитесь на автора
Подпишитесь на автора, если вам нравятся его публикации. Тогда вы будете получать уведомления о его новых статьях.
Отписаться от уведомлений вы всегда сможете в профиле автора.
Купил уценённый 3D принтер с отметкой о причине уценки...
Наблюда-Ski 04.6: Наращиваем в длину, или Фьюз и не только
Подпишитесь на автора
Подпишитесь на автора, если вам нравятся его публикации. Тогда вы будете получать уведомления о его новых статьях.
Отписаться от уведомлений вы всегда сможете в профиле автора.
Недавно было несколько тем по сращиванию прутков,
и для начи...


Комментарии и вопросы
Лучше бы спортом занялся, а не...
Она не влияет у монополистов,....
а чем петя не усраивает?
Сдвиг слоев происходит на оси...
Всем привет, столкнулся с проб...
Собственно вопрос кто сталкива...
Разжился магнитным столом, вык...