MKS Gen L 2.1 перезагрузки во время печати (решено)
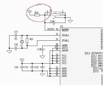
Здравствуйте. Имею Анет А6 в алюминиевой раме, на Меге2560, с момента сборки преследовали рестарты платы во время печати в произвольный момент времени. Начитавшись вариантов начал экспериментировать: перелопатил питание 5В (кондеры, частота преобразователя), варианты и токи драйверов (2208-09, 2208 в спридцикле на экструдере), фериты на питание и шлейфы SD-карты, в БП не лез, там стабильность и красота на выходе. Позже наткнулся на обзор платы с вариантом установки кондера 10-20мкФ на пин ресет контроллера и землю, правда, немного для другой цели.
20мкФ - плата стартовала, но SD-карта отваливалась, 10мкФ заставлял карту ресетиться раз в 2-5 минут даже во время простоя, решил поставить 0.01мкФ - плата перезагружалась каждые 2 секунды. Раз не получилось с конденсатором - попробую поиграть сопротивлением подтяжки +5В пина ресет контроллера.
По схеме стоит 10кОм, чего вполне должно хватать, чтоб пин не болтался в воздухе, но я решил снизить его вполовину. Навесил на разъем возле контроллера в котором присутствуют +5В и RESET еще 10кОм и... проблема рестартов платы ушла, вот просто совсем. Думал в дальнейшем снизить сопротивление до 3кОм, токи там все равно микроскопические в сравнении с общим потреблением, но раз так работает, то вспоминаем изречение: лучшее - враг хорошего.
После устранения проблемы больше 10ти часов печати у меня не было, хотя раньше и одного могло не пройти.
Я надеюсь мой опыт кому-нибудь поможет. Спасибо.
Популярные вопросы
Помогите сделать выбор.
Выбираю...
Ender 3 - актуальный мод на качество
Кубик, Simplify3D и мосты
То есть вот это зелено...
Комментарии и вопросы
"Вот вам, а не модуль обработк...
Только мыть эту воронку неудоб...
В Египте лучше в Шарм-эль-Шейх...
Ender 3 pro со стоковой магнит...
всем привет, проблема с 6 медв...
Приветствую всех!Столкнулся со...
Ищу бесплатную 3D-модель крепл...