Держатель филамента с Блэк-джеком и ...
Идея данного девайса далеко не нова, не мной придумана, но какой то более менее нормальной реализации я не нашел (возможно плохо искал) Мне всегда не хватало информации о том сколько филамента осталось на катушке, особенно когда ставишь многочасовую печать на ночь. Идею я вынашивал давно, но руки дошли только сейчас.
Внимание! Attention! Achtung! Увага! Я прекрасно отдаю себе отчет, что есть 1000 + 1 способ как решить данную проблему. Датчик филамента, кухонные весы и т.д. и т.п. Проект сделан чисто для себя, с целью утолить инженерный зуд, не более и ни на что не претендует. Но раз сделал, то решил поделиться.
Итак основные фичи:
- измерение оставшегося веса/длины филамента
- система профилей т.е. на каждый филамент (тип/производитель/тип катушки) свой профиль
- смена профиля через тач или NFC метку
- работа через WEB-интерфейс


как видно всё это хозяйство крепится консольно. Крепление можно смоделировать под себя. В моем случае все висит через систему Multiboard.
Дисплей там с тачем, поэтому организован интерфейс смены профилей и записи NFC меток.

Скринсейвер при долгом простое:
Работа через WEB:



Профайлы хранятся в обычном csv файле, этот файл можно загрузить на комп, отредактировать в обычном текстовом редакторе или в Excel и закинуть обратно. В ESP32 csv файл хранится в SPIFFS
NFC - на катушку вешается обычная метка стандарта MIFARE Classic на ней хранится ID профайла. Метка естественно перезаписываемая. Подносишь катушку с меткой и профиль выбирается автоматически. Так же происходит и запись - выбрал профиль, нажал кнопку "Запись" и поднес катушку с меткой.
Ну в целом принцип и общее представление думаю понятно.
Кому интересен BOM и технические подробности:
BOM (основной:)
- модуль Amoled дисплея и ESP32-S3 вот этот
- STM32G070
- модуль NFC (обычный с Али на чипе RC522)
- АЦП - AD7190
- тензодатчик Mavin NA6
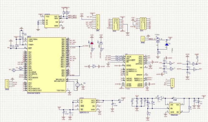
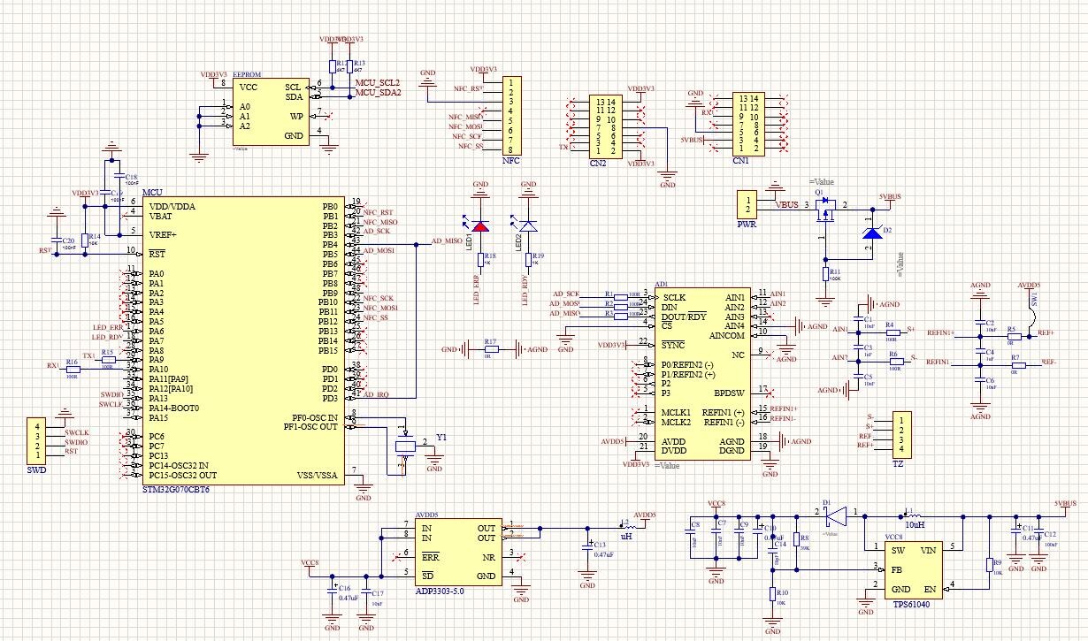
Schematic:
плата четко вставляется в модуль дисплея, коммуникация с STM32 идет по UART
ESP32 отвечает за интерфейс, WEB, профили, а STM32 за работу с тензодатчиком (АЦП) и NFC. Между собой общаются по UART.
Q: Почему не использовал "народный" модуль с HX711 и обычный тензодатчик, а начал выпендриваться?
А: Потому, что это у меня не первый и не второй проект с тензодатчиками и получить нормальные, более менее точные и главное стабильные(!!) результаты на тензодатчике за 100 руб и жутко шумящем HX711 не реально. Может кому то и норм, но для меня есть планка по качеству. Сейчас Mavin (Тайвань) это единственно приличное, что я нашел на Али, раньше я бы взял Zemic, но его не купить в розницу, есть их российский аналог Sierra, но они там совсем берега потеряли с ценником. Что до АЦП, то AD7190 его я знаю, у меня под него написана библиотека и они у меня были в наличии. Он стабилен, надежен и доступен, хоть и модель довольно старая. Понятно, что тут можно поспорить, я не собираюсь это делать, будем считать это лично моей придурью.
Известные текущие проблемы (куда же без них):
- Нужно, что бы филамент шел от катушки не напрямую, а например через датчик филамента, как у меня или через какой то фитинг т.к. если будет натяжение, то показания будут плавать. Система точная.
- Как видно на картинках внизу экрана зеленая полоска - это из-за того, что я писал драйвер для CO5300 с нуля и использовал не документированный аппаратный поворот дисплея. Производитель видимо убрал его из доков т.к. он глючит. Там есть особенность выравнивания блоков в памяти в самом низу экрана при аппаратном повороте. Просто не было времени всё пофиксить. Плюнул и оставил так. Может потом доделаю.
- Нет системы подключения к WIFI при первом старте (SSID и пароль жестко зашиты в прошивку) Было лень писать :)
Итог:
В целом я доволен девайсом, работает стабильно и очень точно. Точность в пределах катушки практически грамм-в-грамм. Прошивка позволяет реализовать практически любые хотелки. Но мне вполне достаточно того, что есть, ну например можно реализовать новомодный открытый NFC стандарт от Прюши. Но, думаю, что я забью на это т.к. уже есть другой проект, к тому же это просто хобби, а не работа :))
Спасибо за внимание!
Еще больше интересных статей
Быстрое масштабирование промышленной 3D-печати для выполнения критически важных производственных задач
Подпишитесь на автора
Подпишитесь на автора, если вам нравятся его публикации. Тогда вы будете получать уведомления о его новых статьях.
Отписаться от уведомлений вы всегда сможете в профиле автора.
Intamsys Funmat Pro 310 Apollo: настольное промышленное решение для 3D-печати тугоплавкими материалами
Подпишитесь на автора
Подпишитесь на автора, если вам нравятся его публикации. Тогда вы будете получать уведомления о его новых статьях.
Отписаться от уведомлений вы всегда сможете в профиле автора.
Кастомные ступичные заглушки.
Подпишитесь на автора
Подпишитесь на автора, если вам нравятся его публикации. Тогда вы будете получать уведомления о его новых статьях.
Отписаться от уведомлений вы всегда сможете в профиле автора.
В этом посте хотелось бы поведать о такой...

Комментарии и вопросы
https://vk.ru/legoboyare
А еще мне очень нравилось, ког...
FABERANT 3D добрый день! каждо...
Хочу сделать подарок человеку...
какие настройки выставлять что...
A bridal shower is a joyful pr...
имеется изображение.имеется SV...