Дополнительный понижающий регулируемый блок к лабораторному БП.
При конструировании разной электронной всячины, иногда просто необходимо дополнительное питание, отличное от имеющегося.
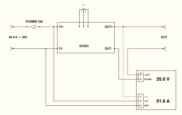
Для этого случая, валялся в закормах вольтметр-амперметр LED 0.28" 0-100В 0-10А.
Понижалка LM2596 до 3А, или повышалка XL6009 ДО 4А, в зависимости от нужд.
Переменное сопротивление под номинал (или около того), что на плате понижалки. Подстроечное сопротивление, что на плате блочка, выпаиваем. На его место впаиваем переменное, и выводим на переднюю панель.
Блочек подключается к выходу лабораторного блока питания 4мм бананами.
Делал под эти бананы, но пойдут и по отдельности.
Файлы корпуса берем тут: Файлы корпуса
Еще больше интересных статей
ИИ Точечная сварка на ионистрах
Подпишитесь на автора
Подпишитесь на автора, если вам нравятся его публикации. Тогда вы будете получать уведомления о его новых статьях.
Отписаться от уведомлений вы всегда сможете в профиле автора.
Как чистить сопло
Подпишитесь на автора
Подпишитесь на автора, если вам нравятся его публикации. Тогда вы будете получать уведомления о его новых статьях.
Отписаться от уведомлений вы всегда сможете в профиле автора.
MMRU (Multi Material Russian Upgrade) (Часть 6: Анонс новой механики)
Подпишитесь на автора
Подпишитесь на автора, если вам нравятся его публикации. Тогда вы будете получать уведомления о его новых статьях.
Отписаться от уведомлений вы всегда сможете в профиле автора.

Комментарии и вопросы
Да, лазер прям очень полезен в...
Здравствуйте, никаких сложност...
Здесь вопрос не в том как изме...
Добрый день! Прошил Creality E...
Коллеги подскажите пожалуйста,...
В общем есть стойка может выдв...
Поменял штатную пленку на поку...