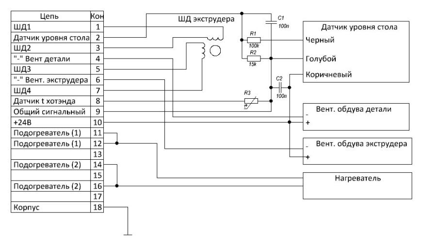
Кто-то искал распиновку разъема головки ANYCUBIC Kobra2
Выкладываю схему. Может, кому-нибудь еще пригодится.
Я планирую применить эту голову в принтере своей конструкции. Она неплохо скомпонована, есть кожух, питается от 24В и хотэнд у нее типа volcano. То есть, все условия, чтобы ее использовать вместо самопала. И главное, судя по конструкции воздуховода и размеру центробежного вентилятора у нее должен быть неплохой обдув стола. У меня вечно с ним проблемы.
Одна тонкость - я применял в качестве датчика уровня стола BLTouch, а у этой головы индукционный датчик. Это значит, надо менять настройки и отказываться от стеклянного стола навсегда.
У головы разъем IDC-18. Первый вывод обозначен на корпусе разъема треугольником. Угол треугольника указывает в сторону вывода 1 пина.
Схема без указания промежуточных разъемов:
Еще больше интересных статей
Snapmaker U1 - подключаем Anycubic ACE Pro в качестве системы хранения, подачи и сушки.
Подпишитесь на автора
Подпишитесь на автора, если вам нравятся его публикации. Тогда вы будете получать уведомления о его новых статьях.
Отписаться от уведомлений вы всегда сможете в профиле автора.
Сегодня мы будем дооснащать замечательный принтер Snapmaker U1 очень у...
Доработка Ender 3 V3 SE
Подпишитесь на автора
Подпишитесь на автора, если вам нравятся его публикации. Тогда вы будете получать уведомления о его новых статьях.
Отписаться от уведомлений вы всегда сможете в профиле автора.
Хочу рассказать как я доработал свой v3 SE.
У м...
Настраиваем прошивку Marlin и заливаем её в 3D принтер
Подпишитесь на автора
Подпишитесь на автора, если вам нравятся его публикации. Тогда вы будете получать уведомления о его новых статьях.
Отписаться от уведомлений вы всегда сможете в профиле автора.


Комментарии и вопросы
Я все модели ендеров еще не вы...
Очередное дно от среалити
Погрешность говорите корекс да...
Здравствуйте, у меня возникли...
Всех приветствую. Столкнулся с...
Купил хотенд в сборе v6 там ст...
важно подача СВЕРХУ. катушка н...